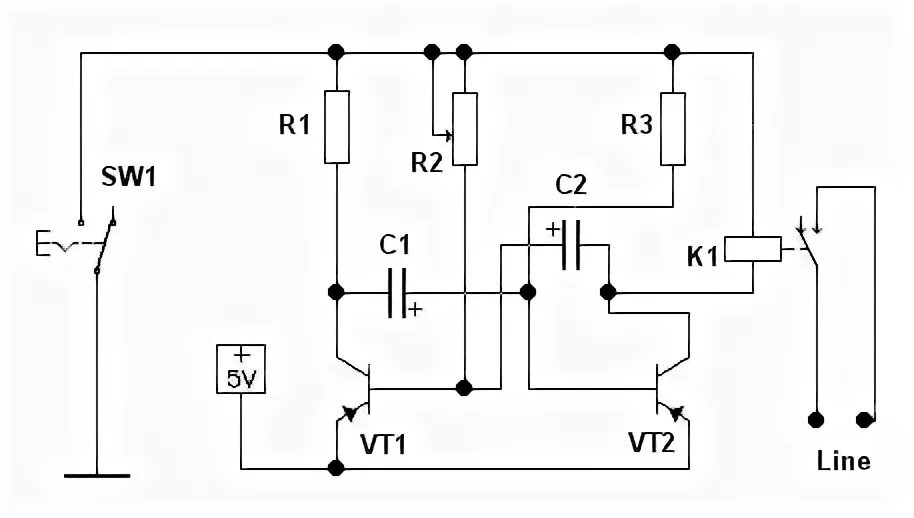
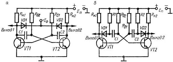
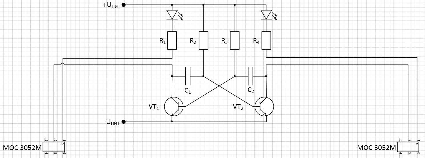
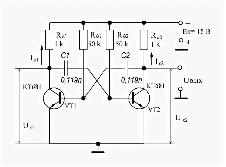
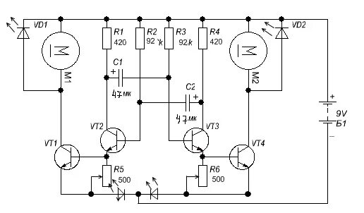
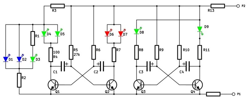
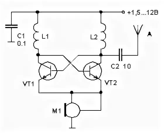
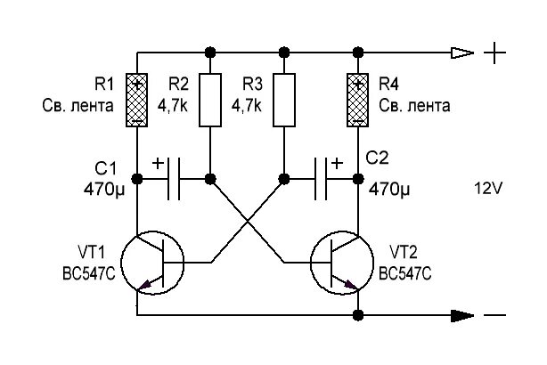
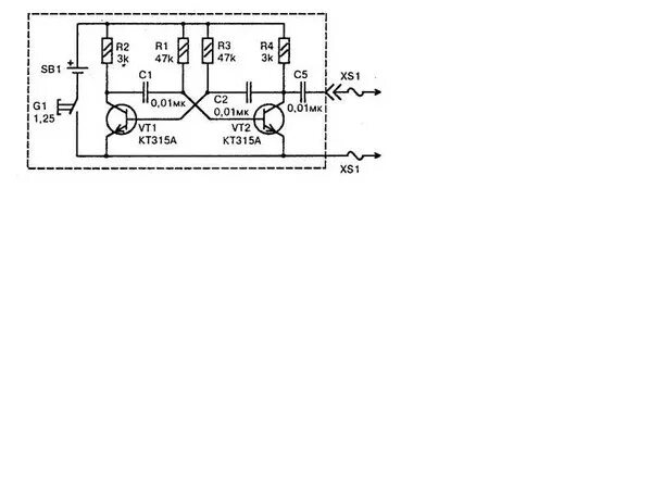
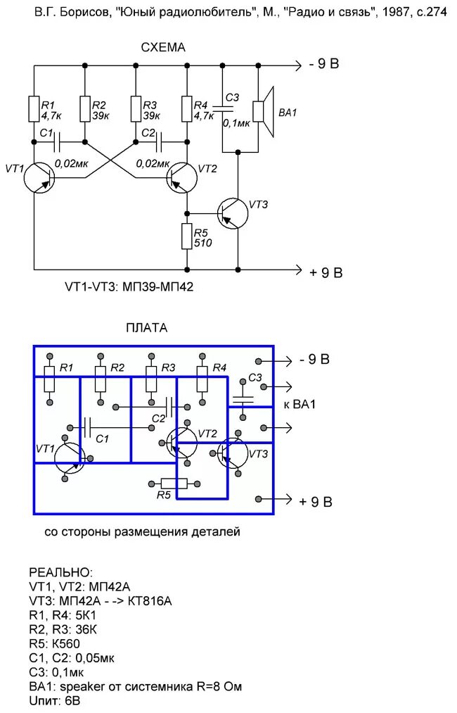
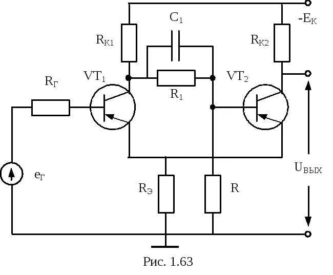
Схема симметричного мультивибратора