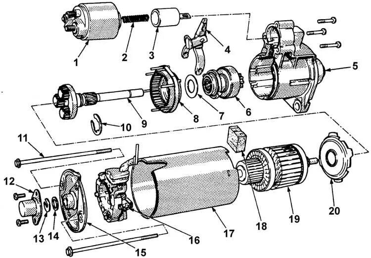
Схема стартера уаз