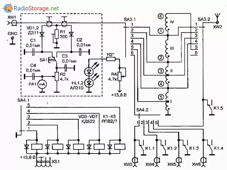
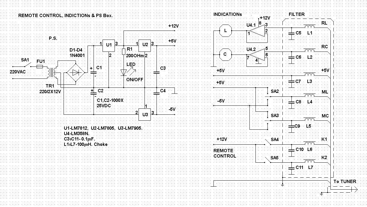
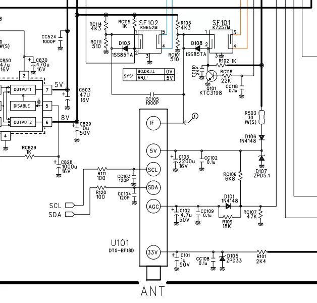
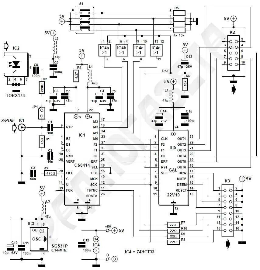
Схема т тюнера