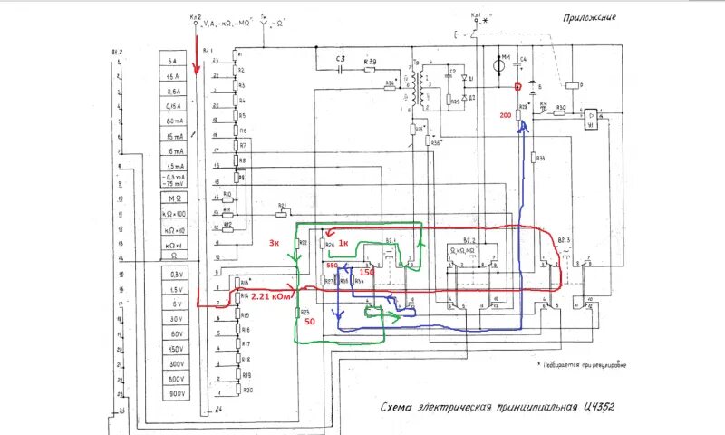
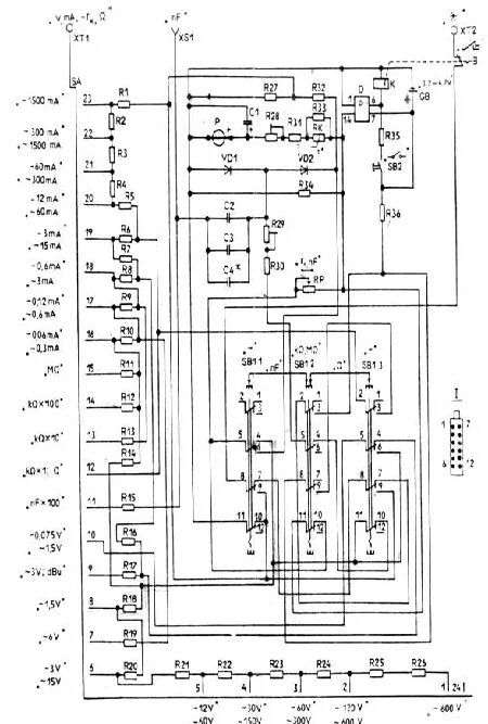
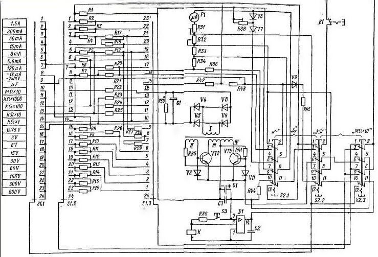
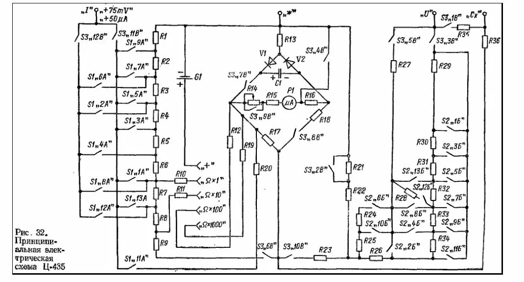
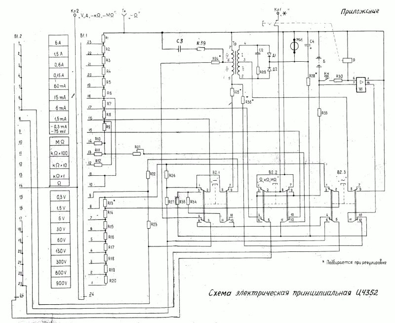
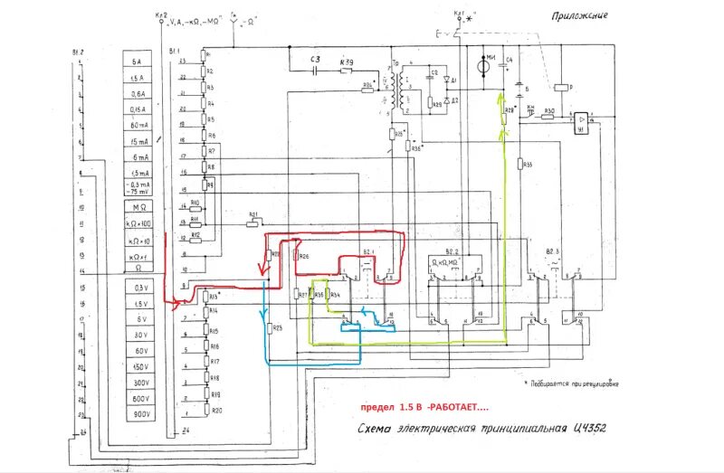
Схема ц