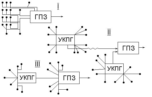
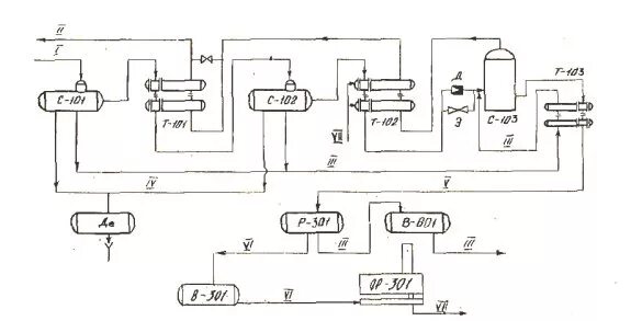
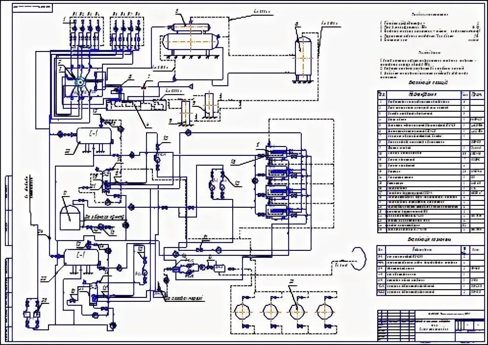
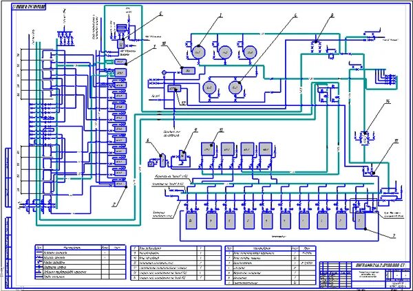
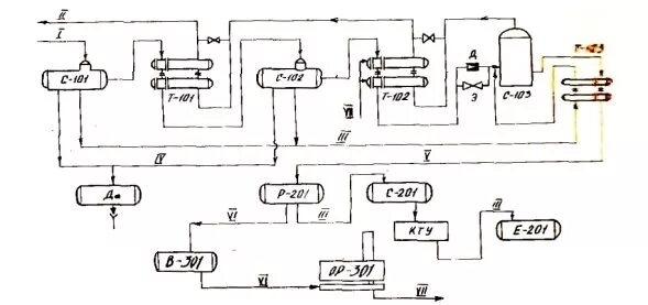
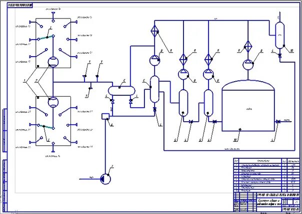
Схема укпг