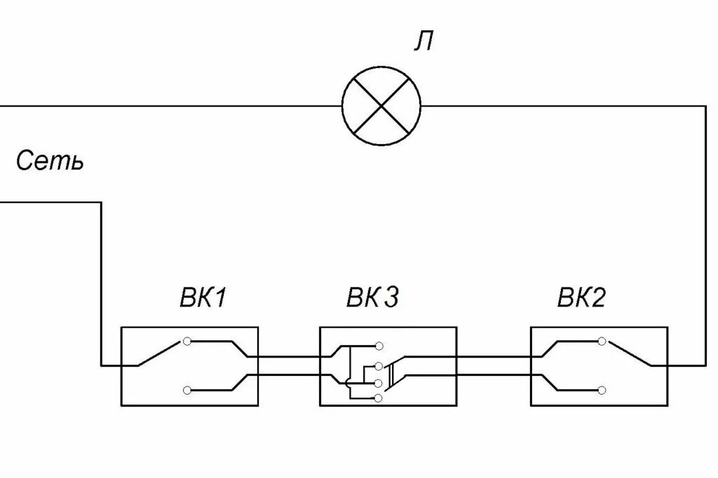
Схема управления освещением трех