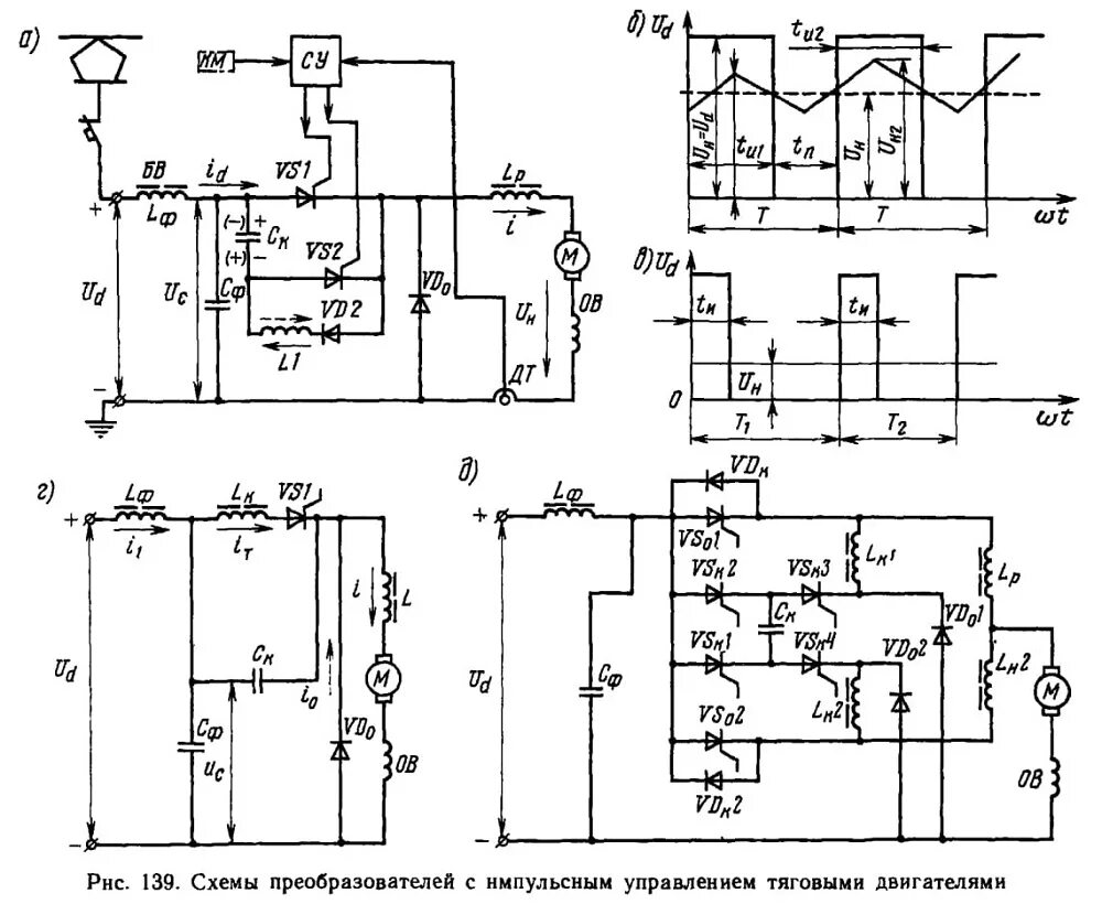
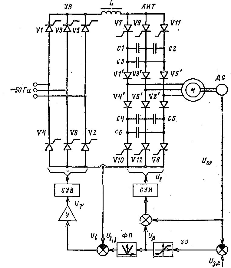
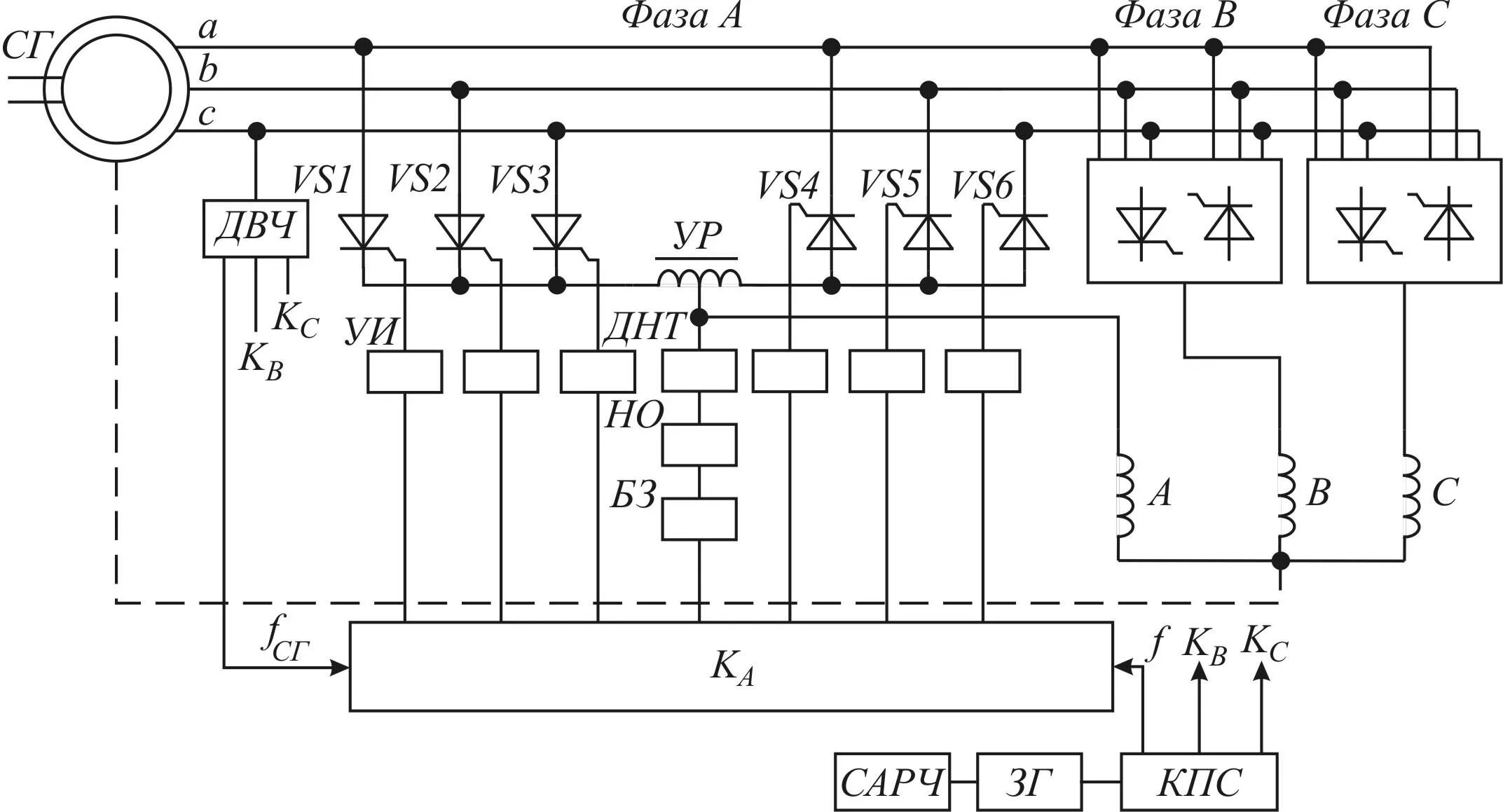
Схема управления преобразователем