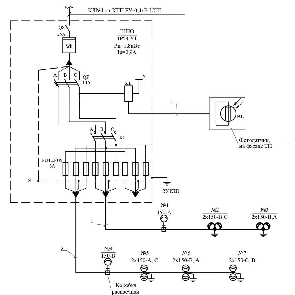
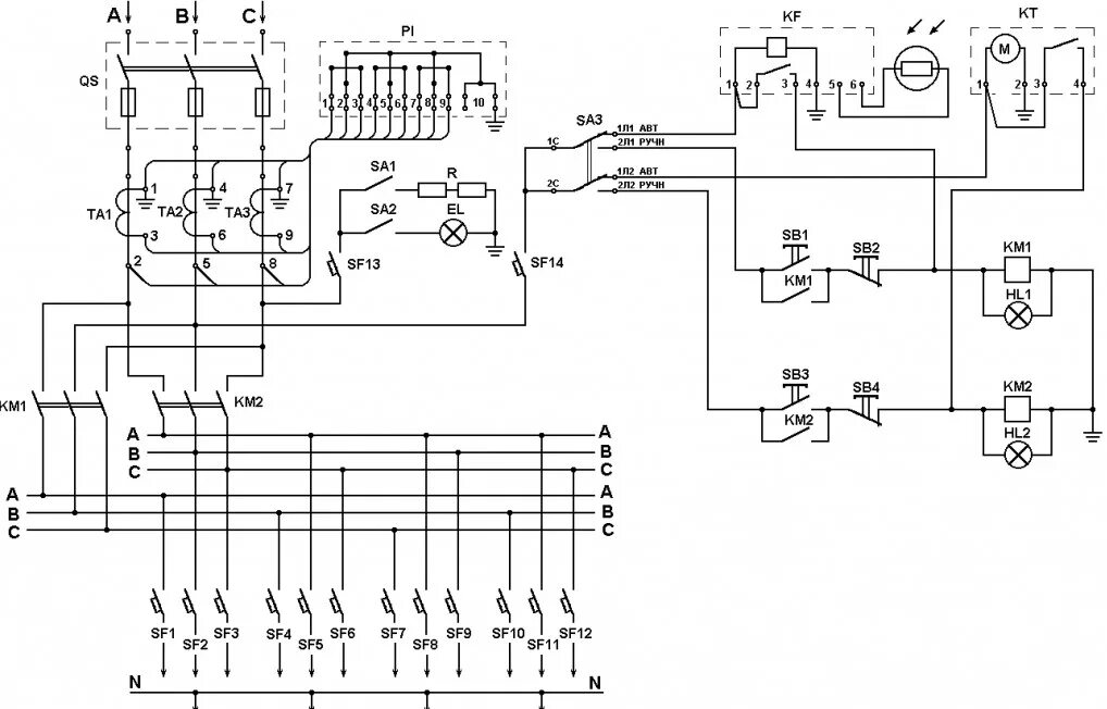
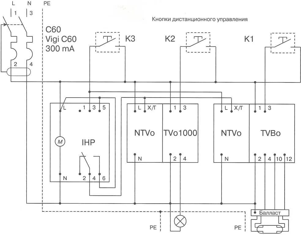
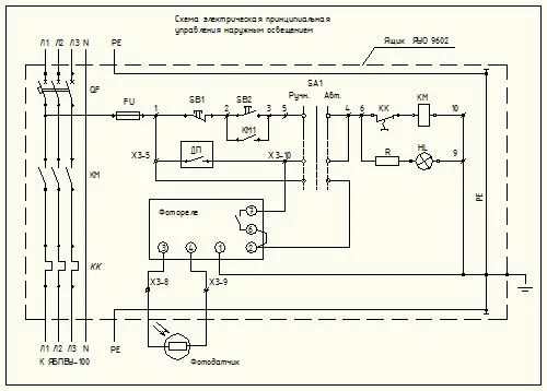
Схема управления уличным освещением