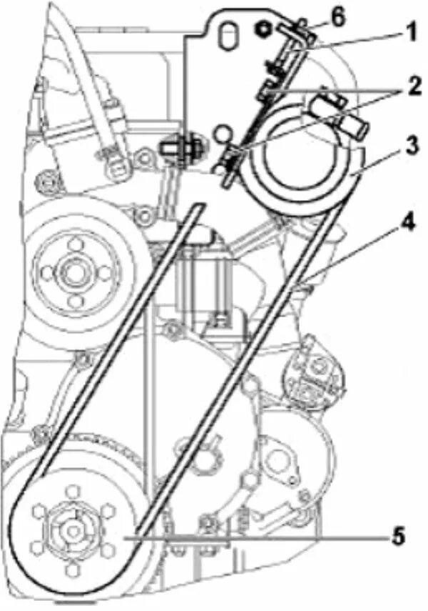
Схема установки ремня на уаз