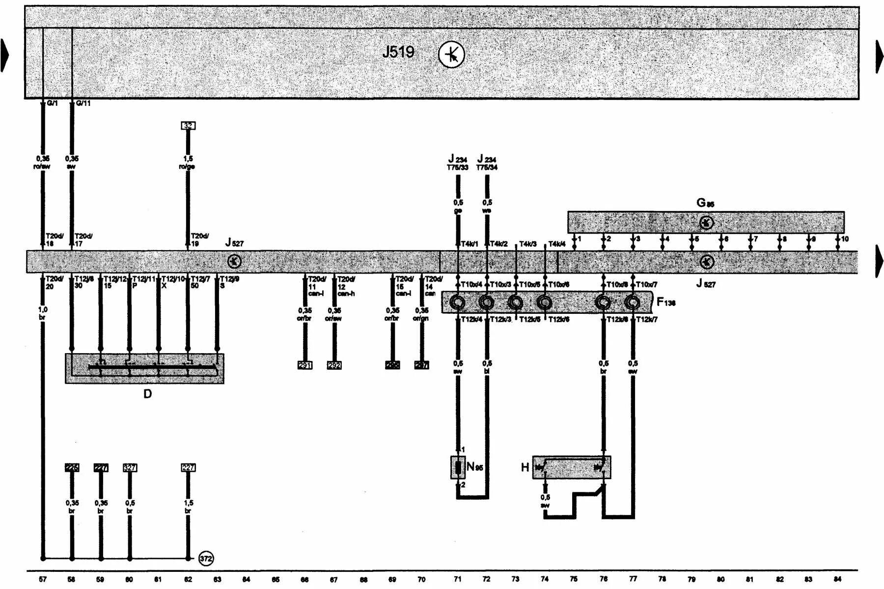
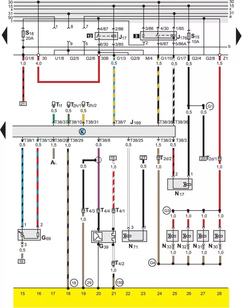
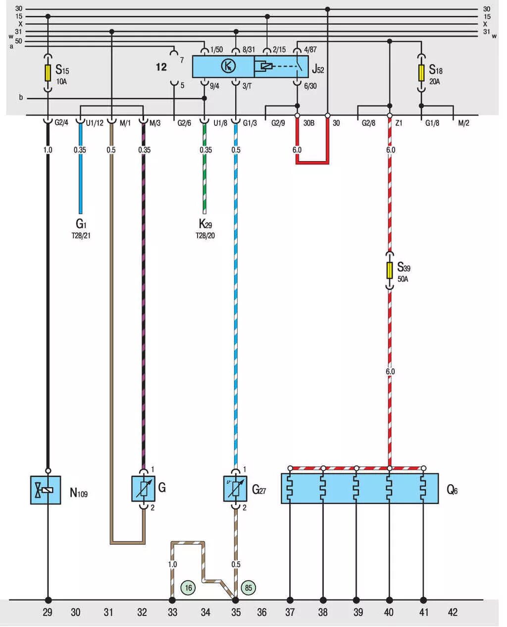
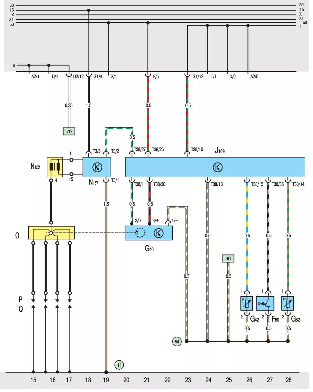
Схема vw t4