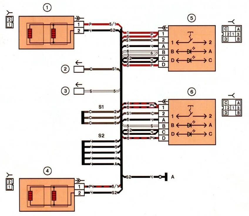
Схема задних фонарей 2115