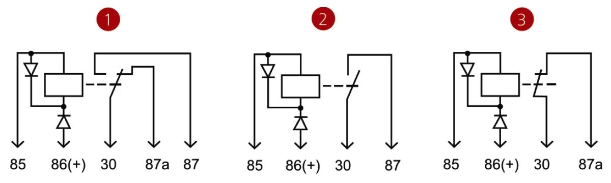
Схема замыкающего реле