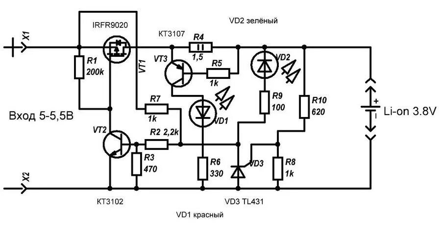
Схема зарядного для литий ионных