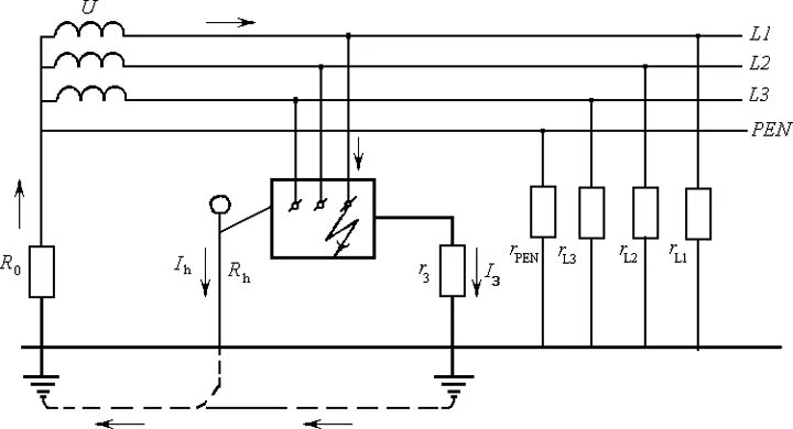
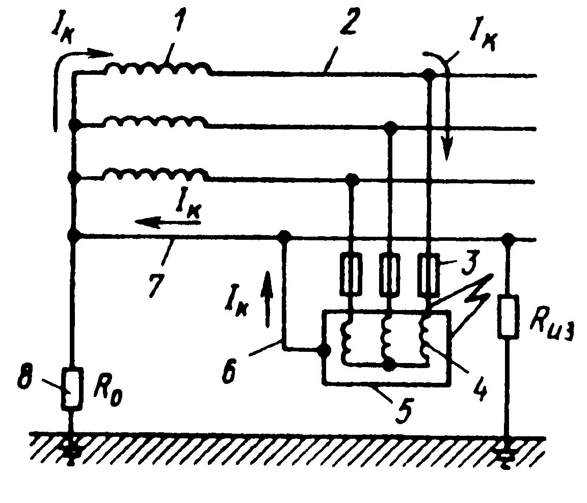
Схема защитного устройства