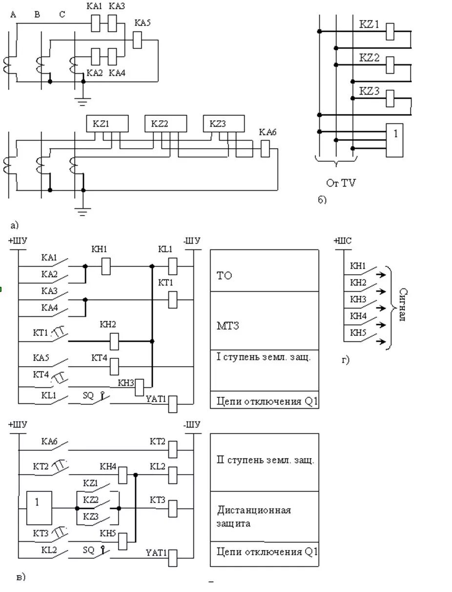
Схема защиты