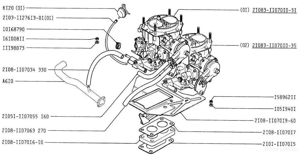
Схему карбюратора 2108