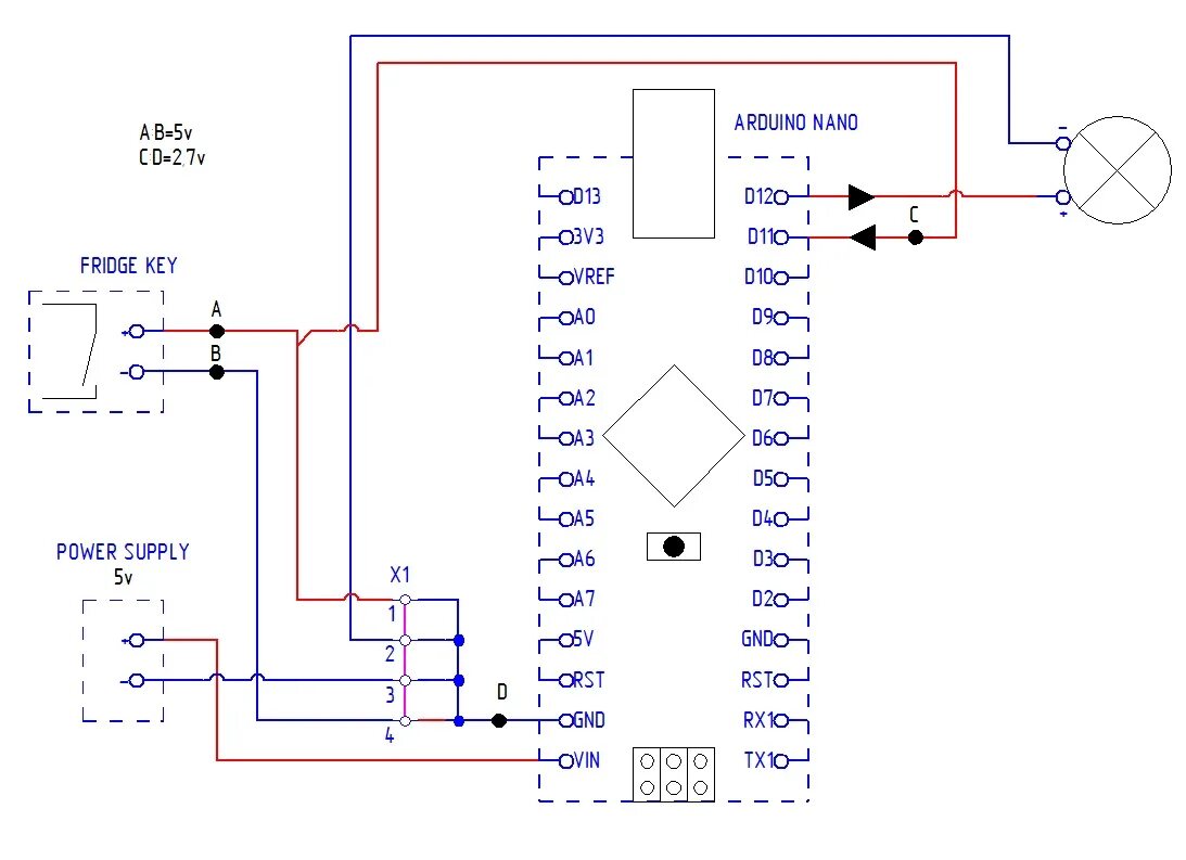
Схемы ардуино