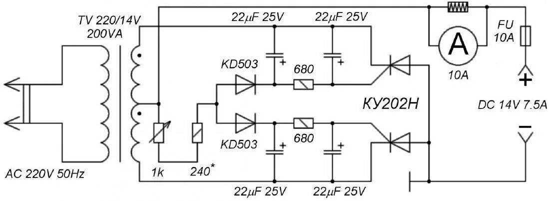
Схемы автомобильных зарядных устройств на тиристорах