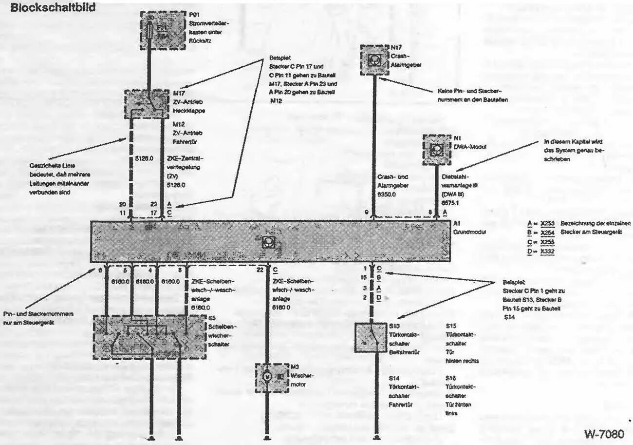
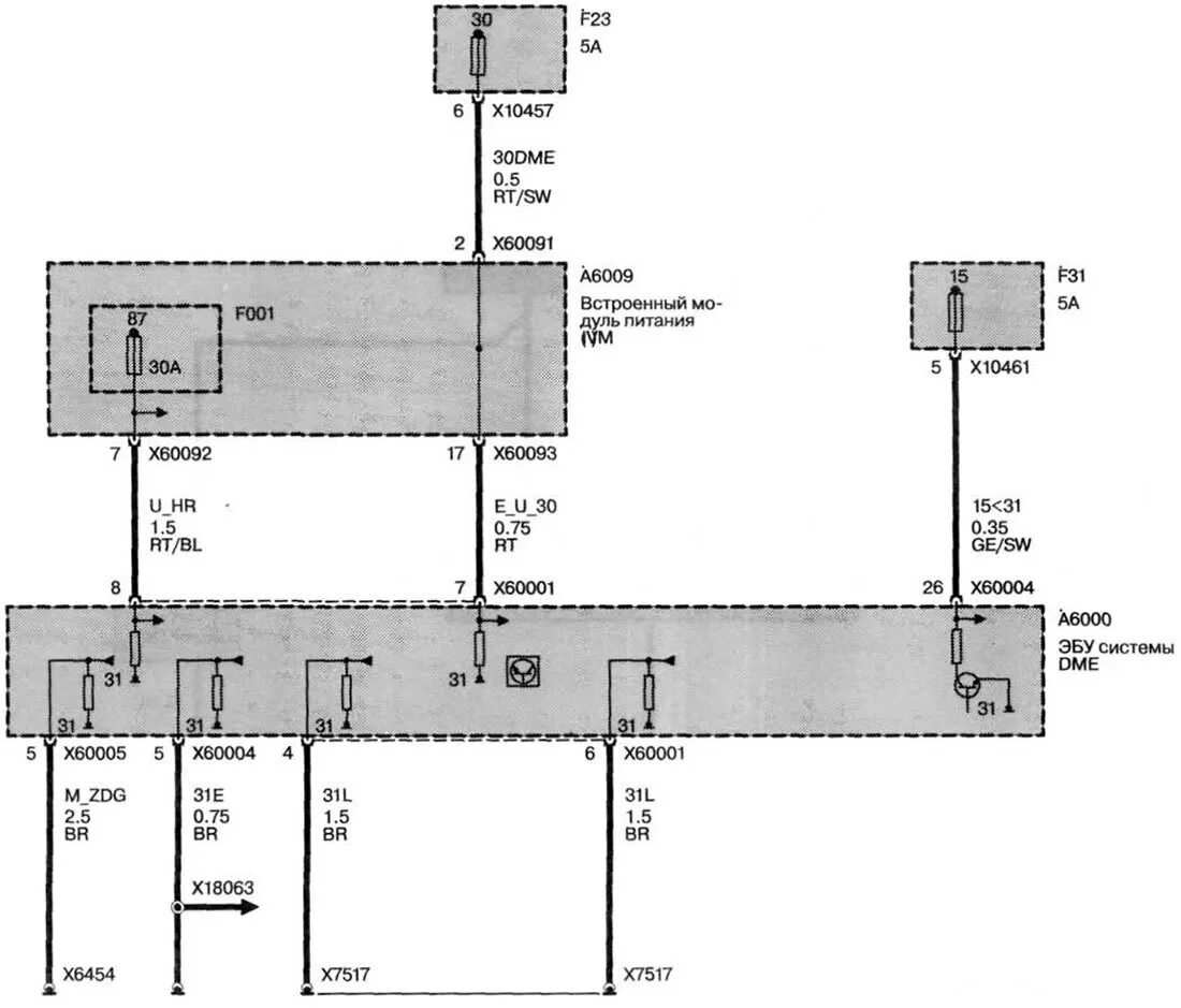
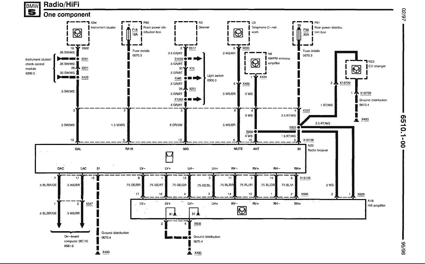
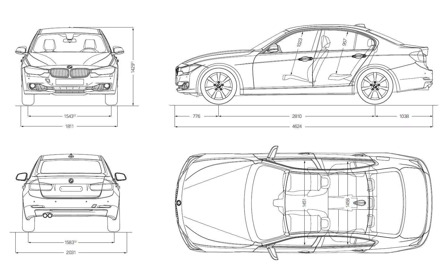
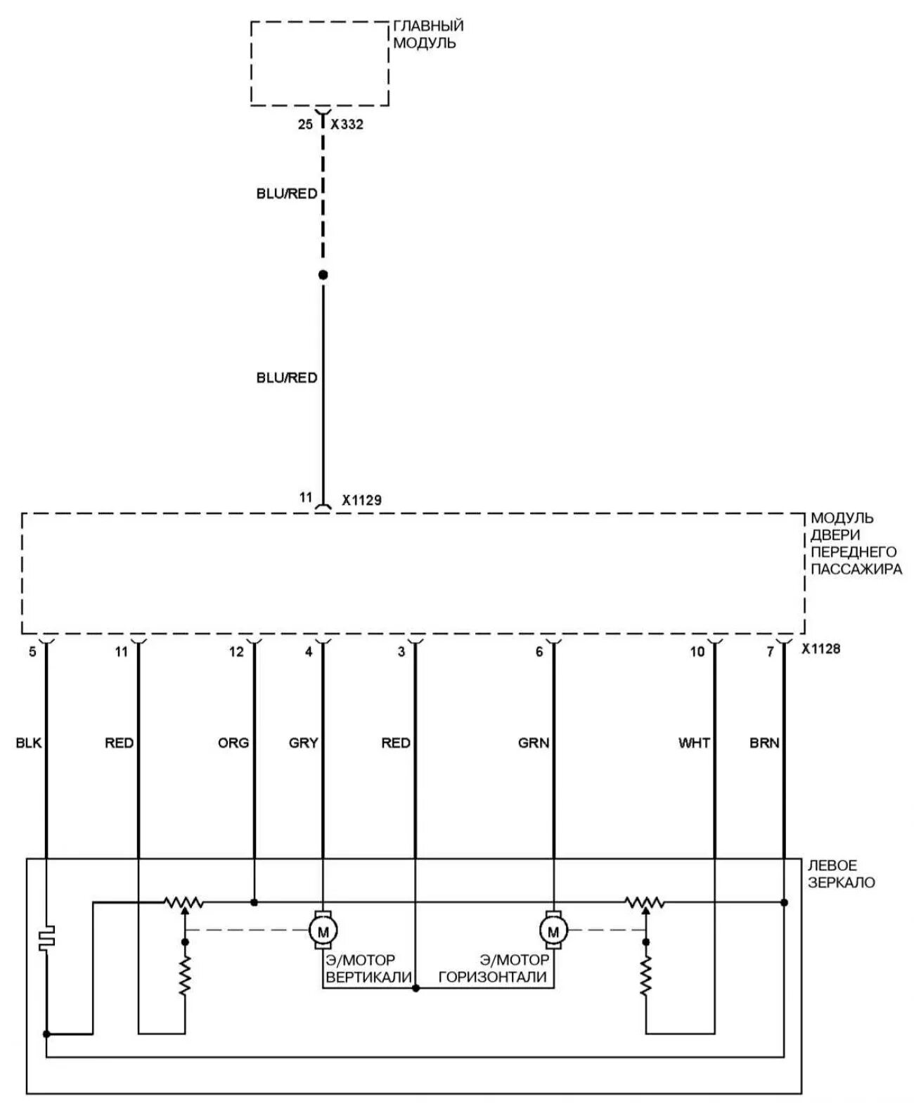
Схемы бмв