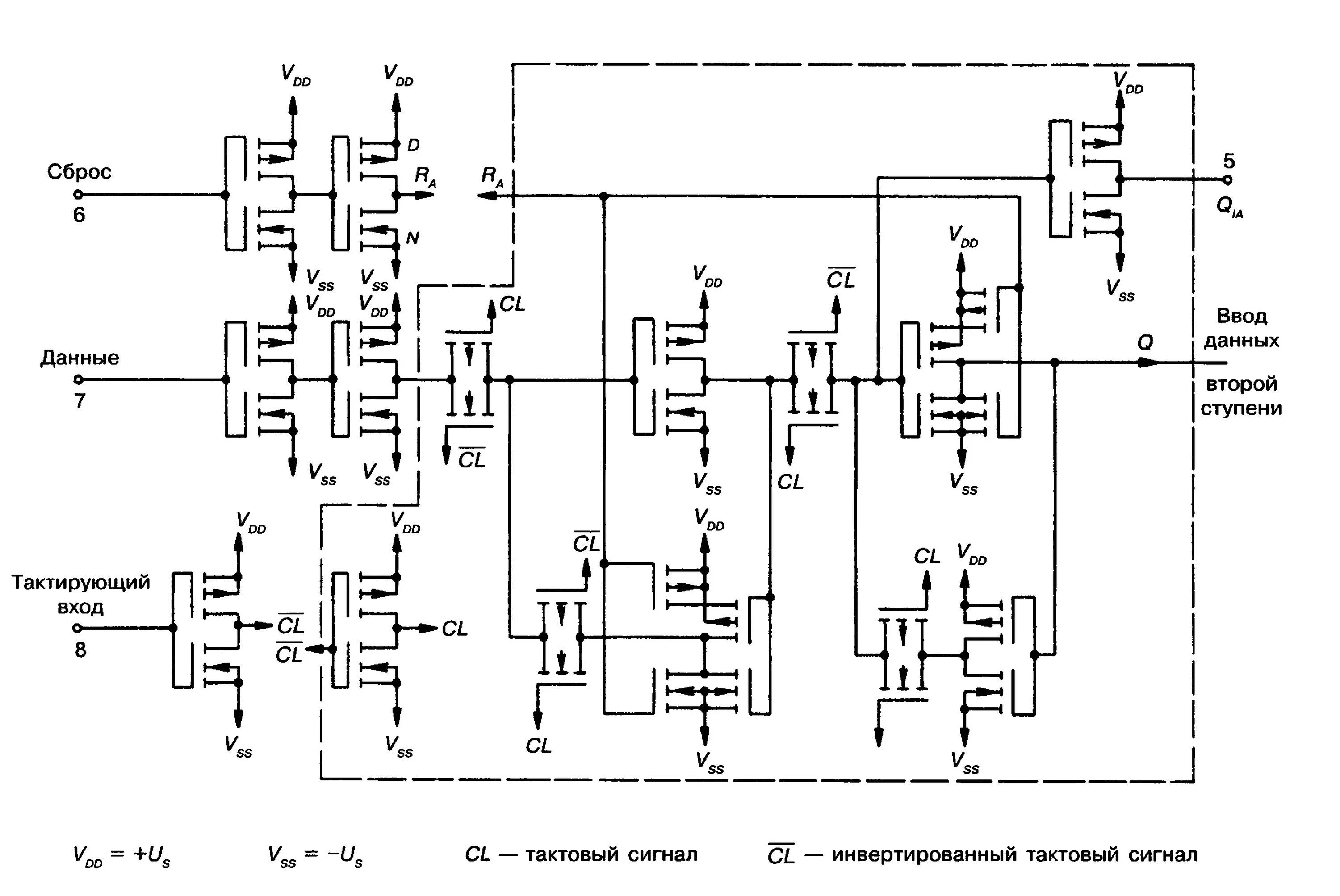
Схемы логических микросхем