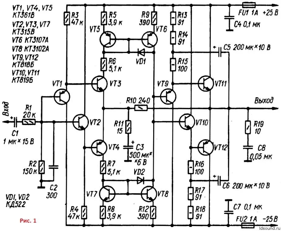
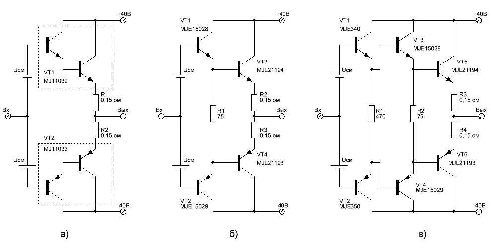
Схемы выходных каскадов усилителей