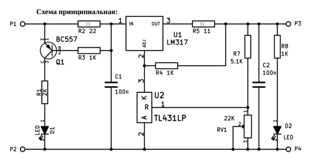
Схемы зарядок для 18650