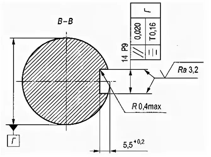
Шероховатость пазов