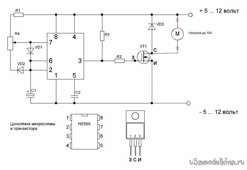
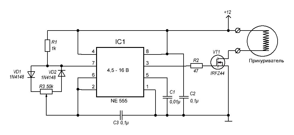
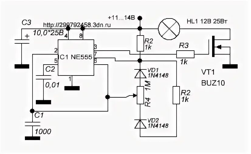
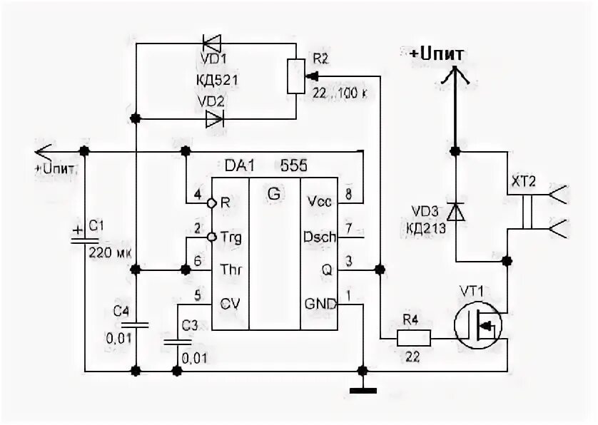
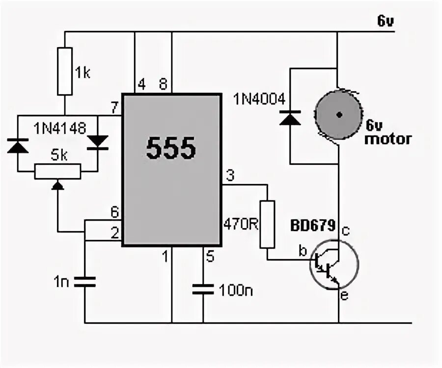
Шим регулятор на ne555