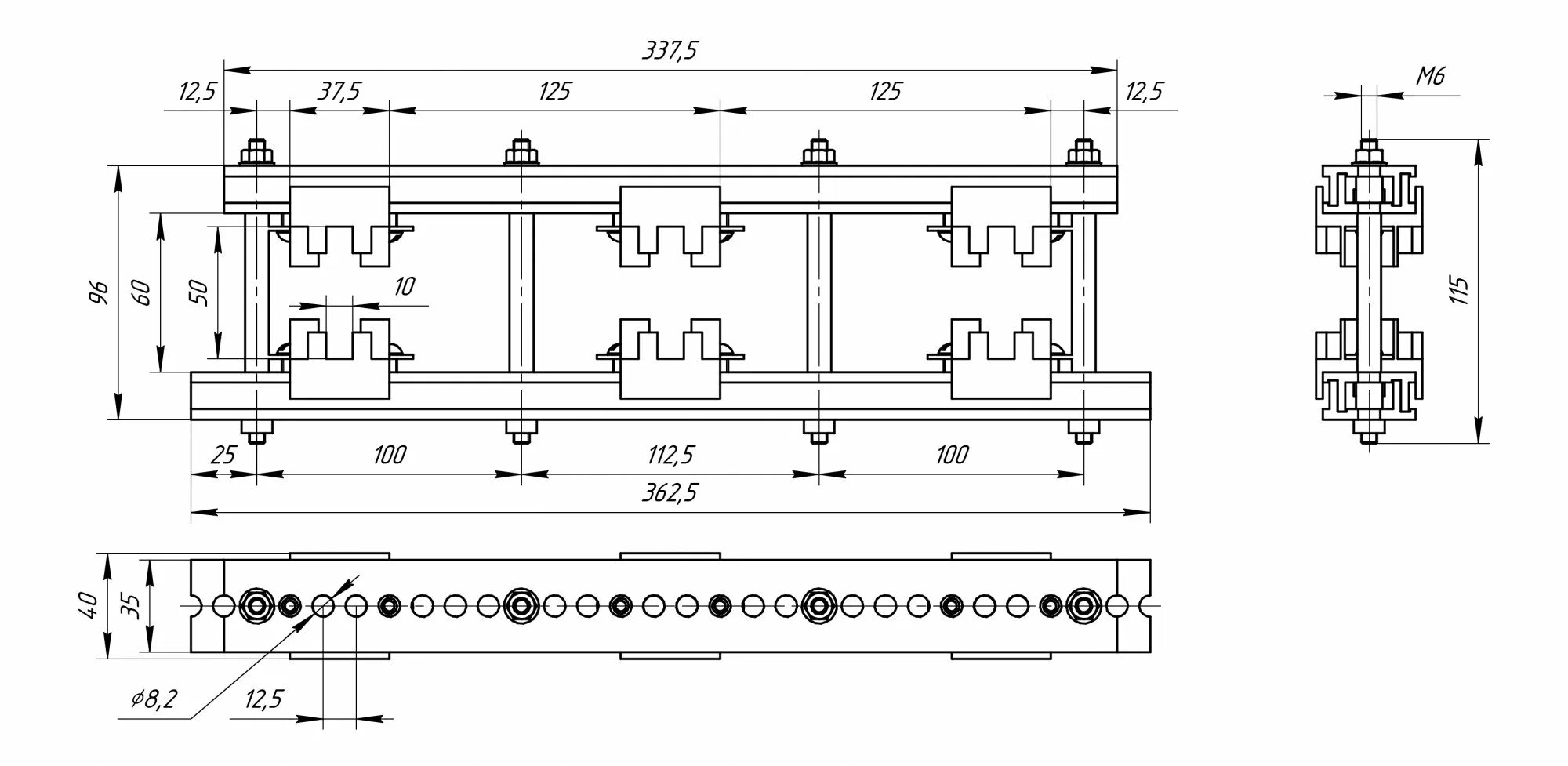
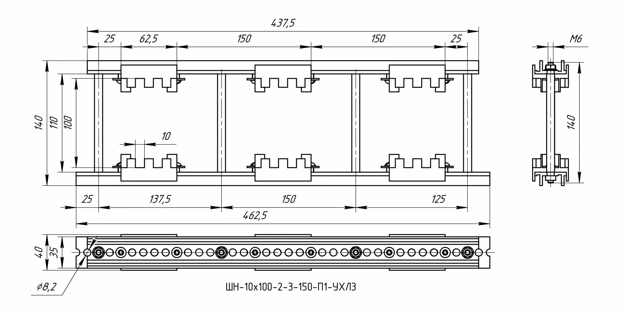
Шинодержатели шп