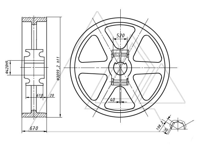
Шкив компрессора размеры