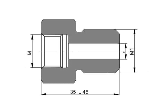
Штуцер 3 4 размер