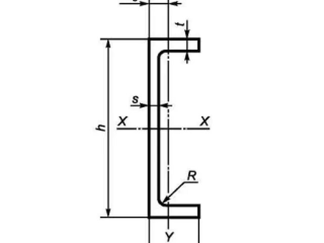
Швеллер 24 размеры