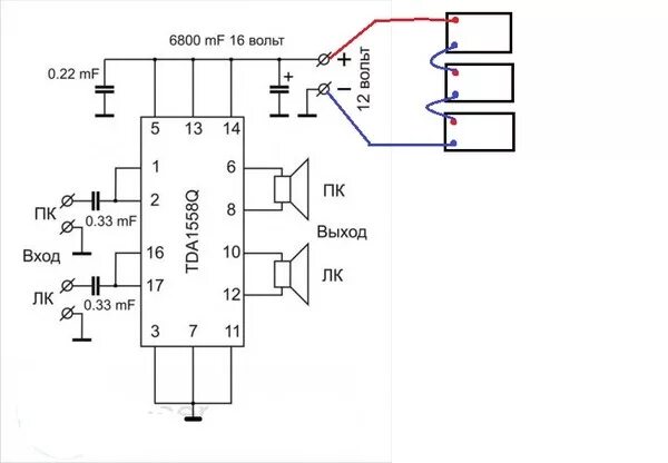
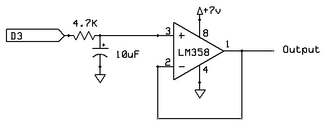
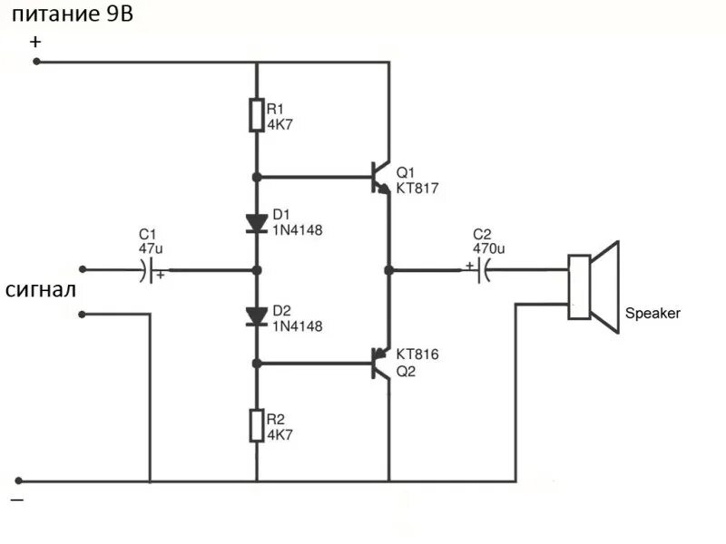
Сигнал 5 вольт