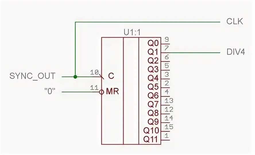
Сигнал clk