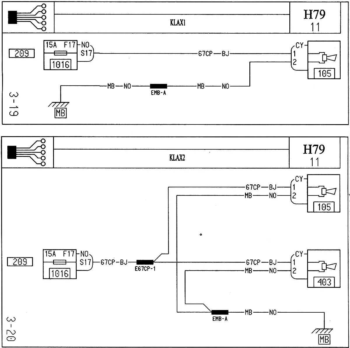
Сигнал дастера