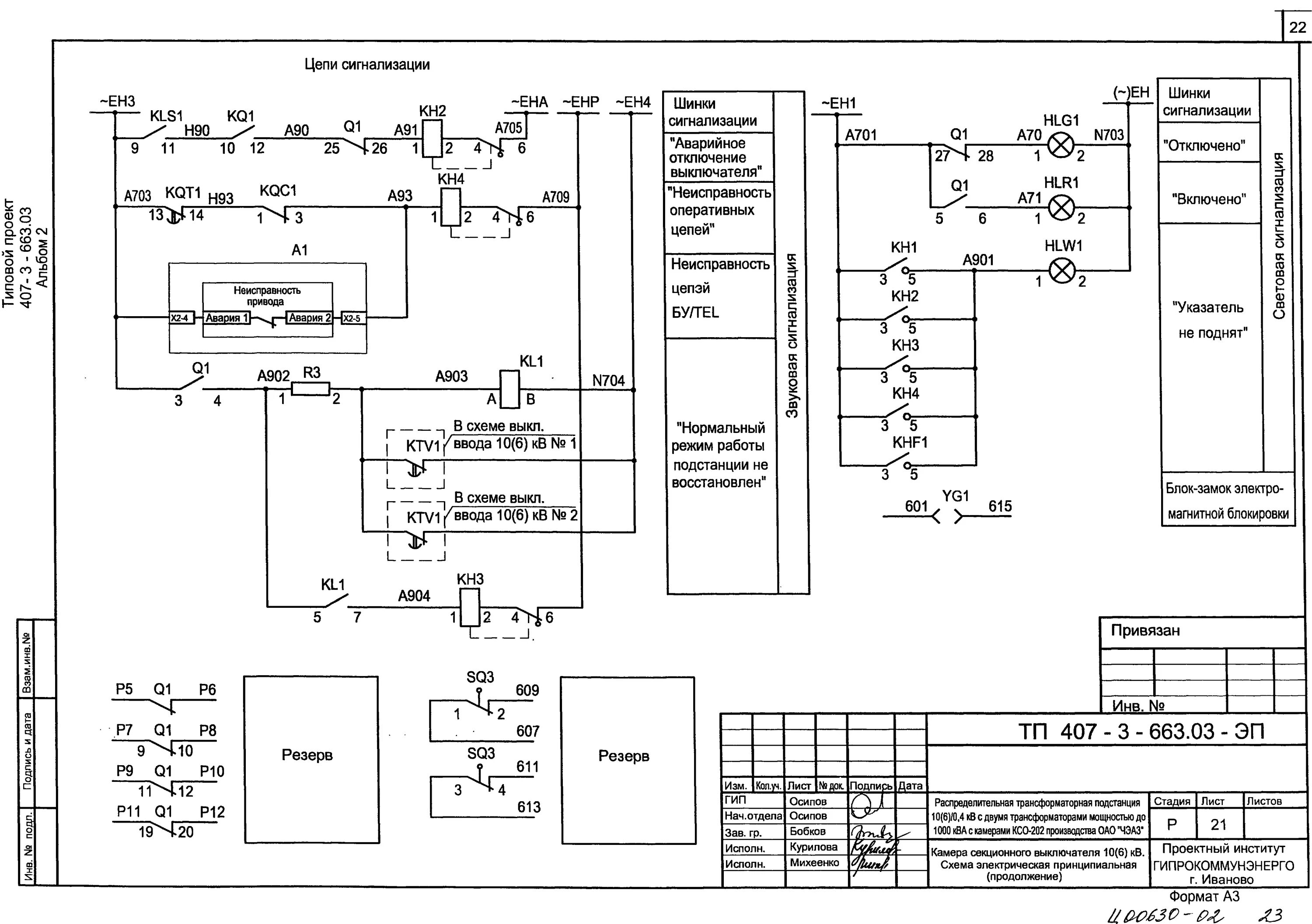
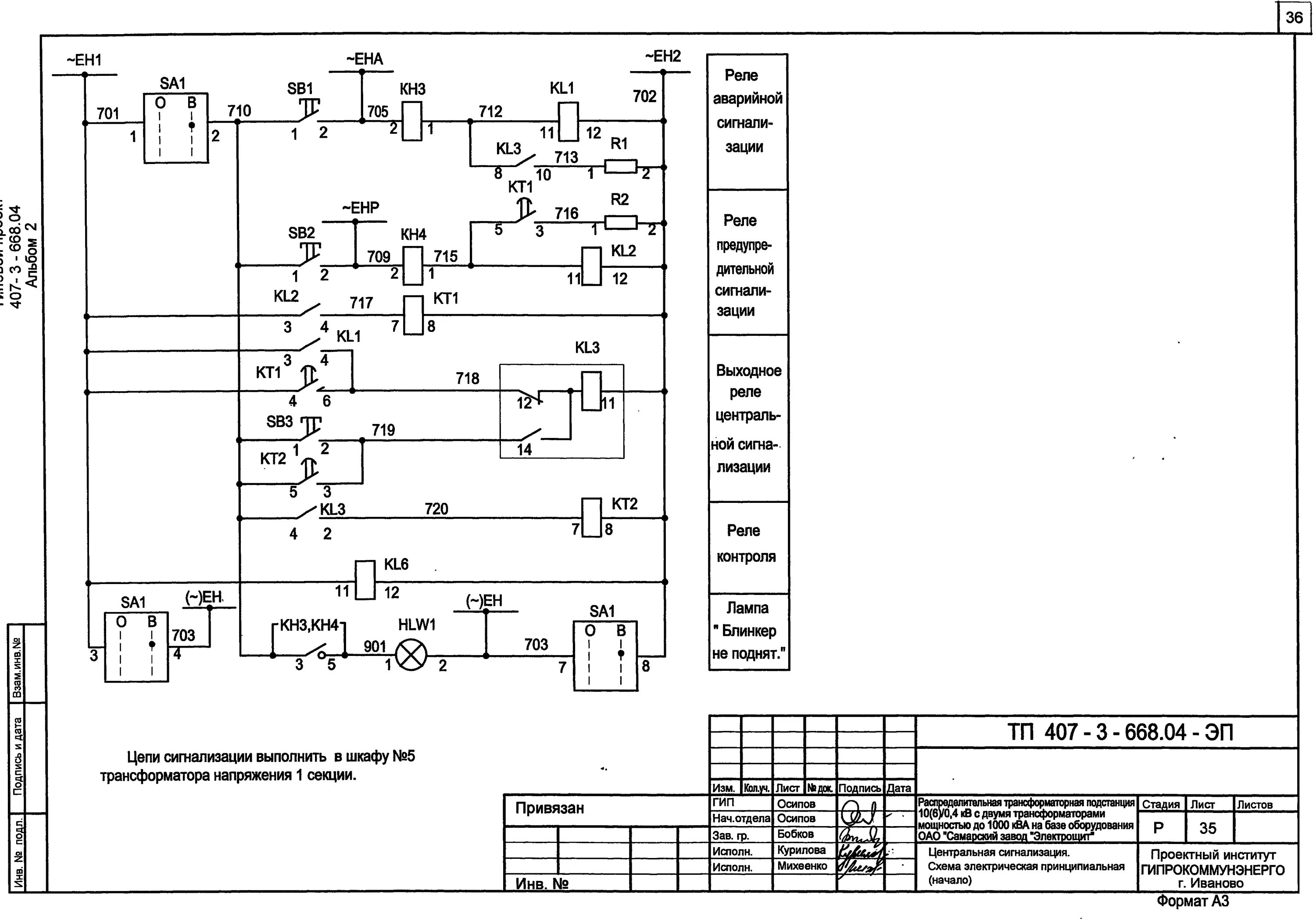
Сигнализация подстанций