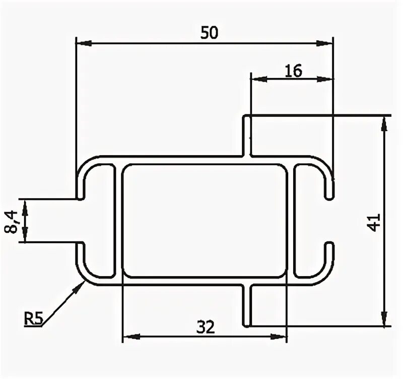
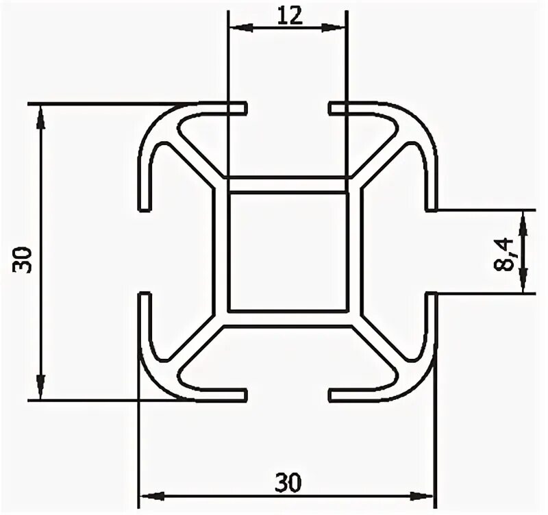
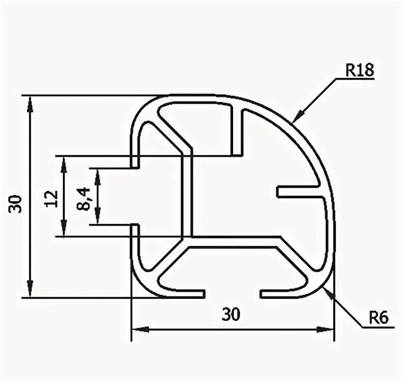
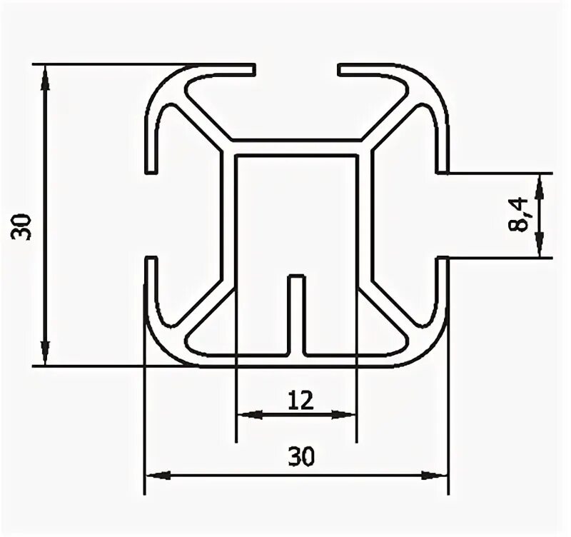
Система конста