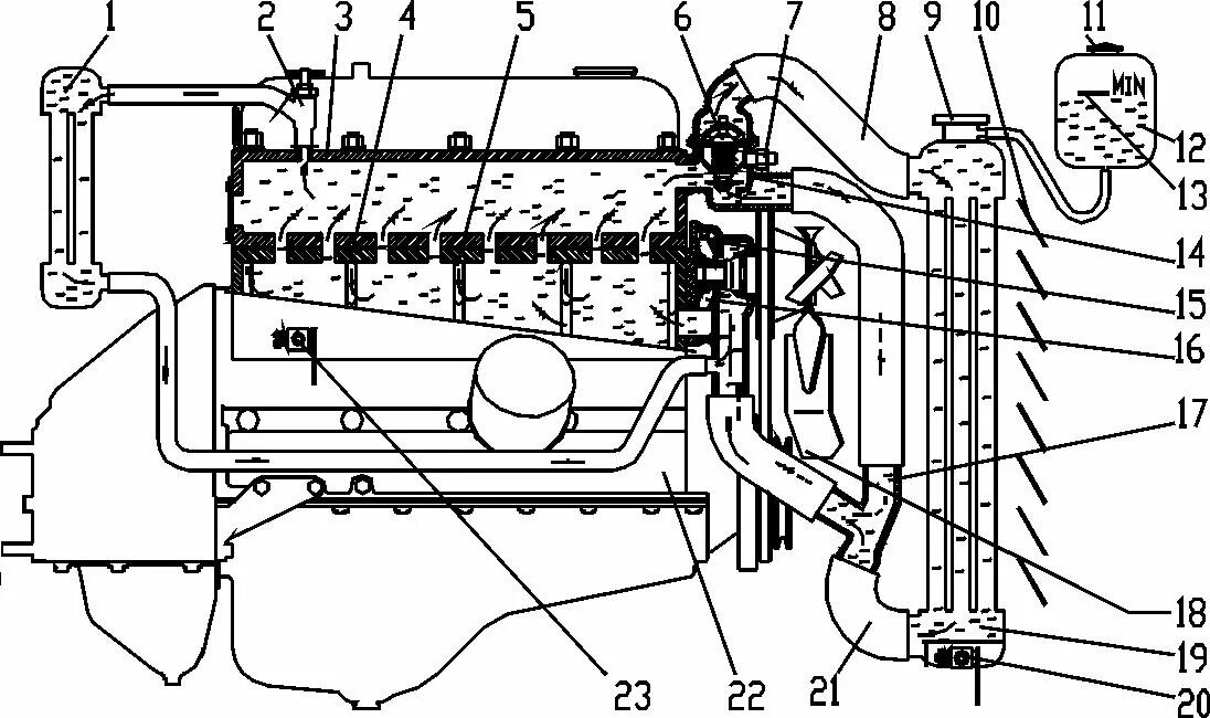
Система охлаждения двигателя температура