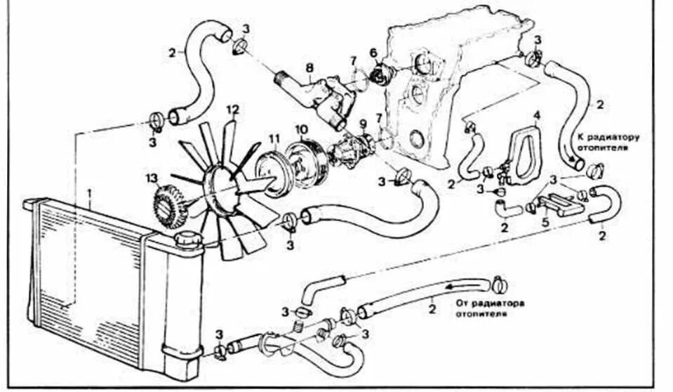
Система охлаждения е46