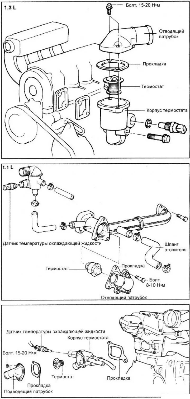
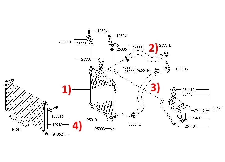
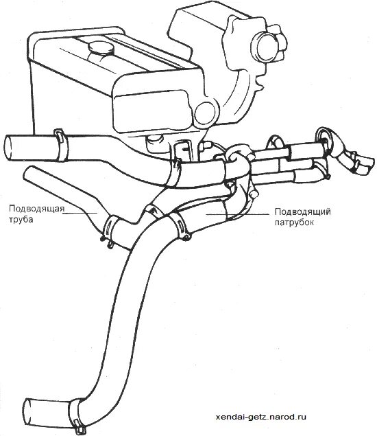
Система охлаждения гетц