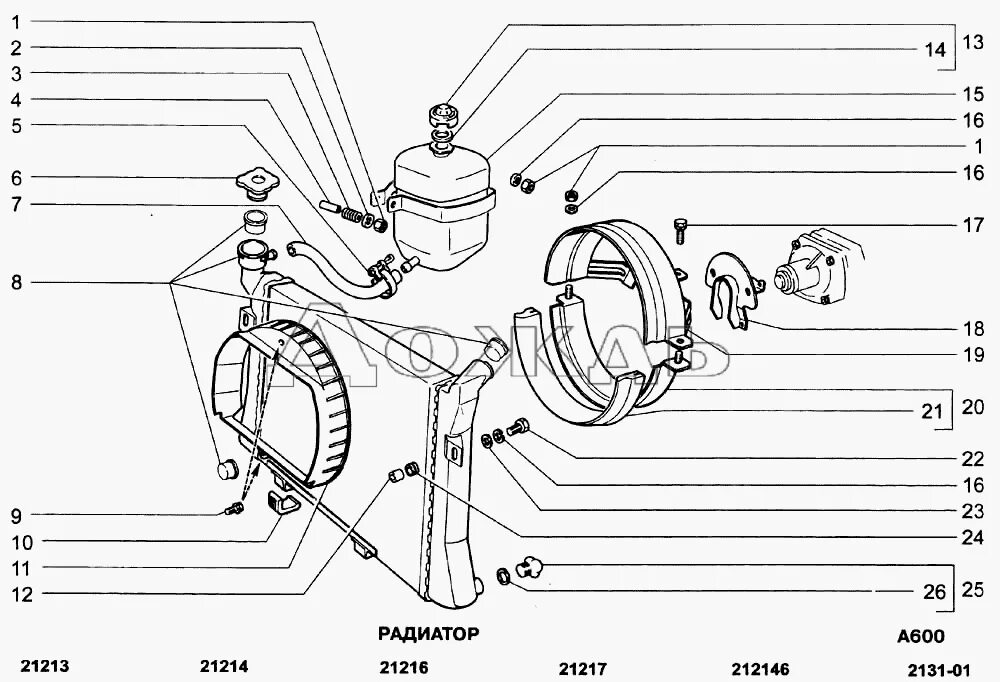
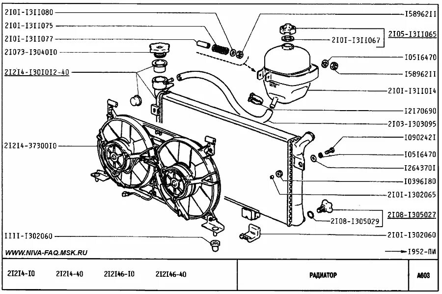
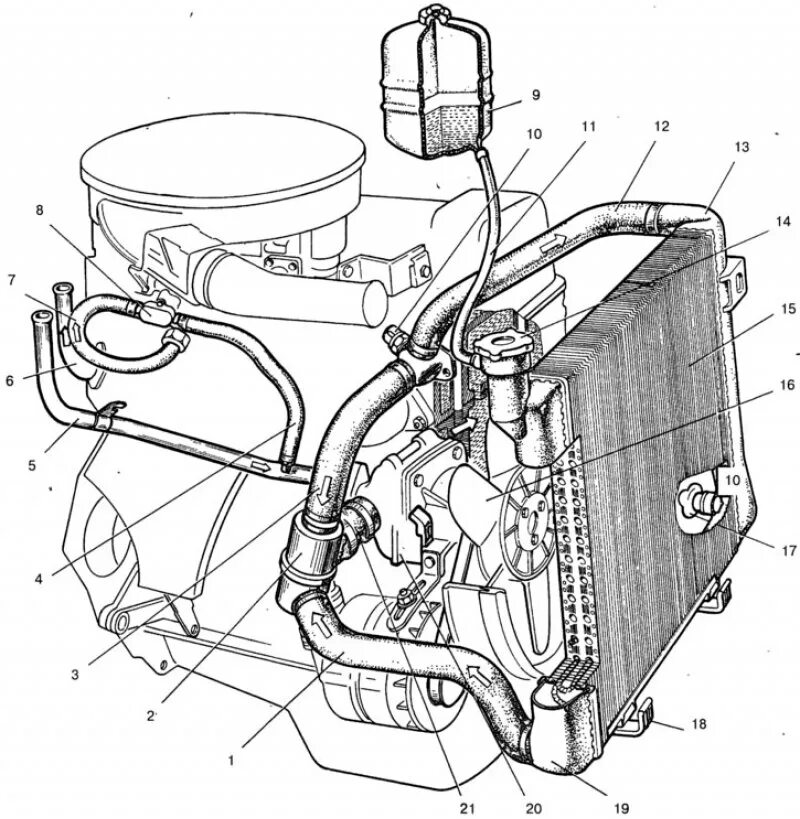
Система охлаждения нива 21213 карбюратор