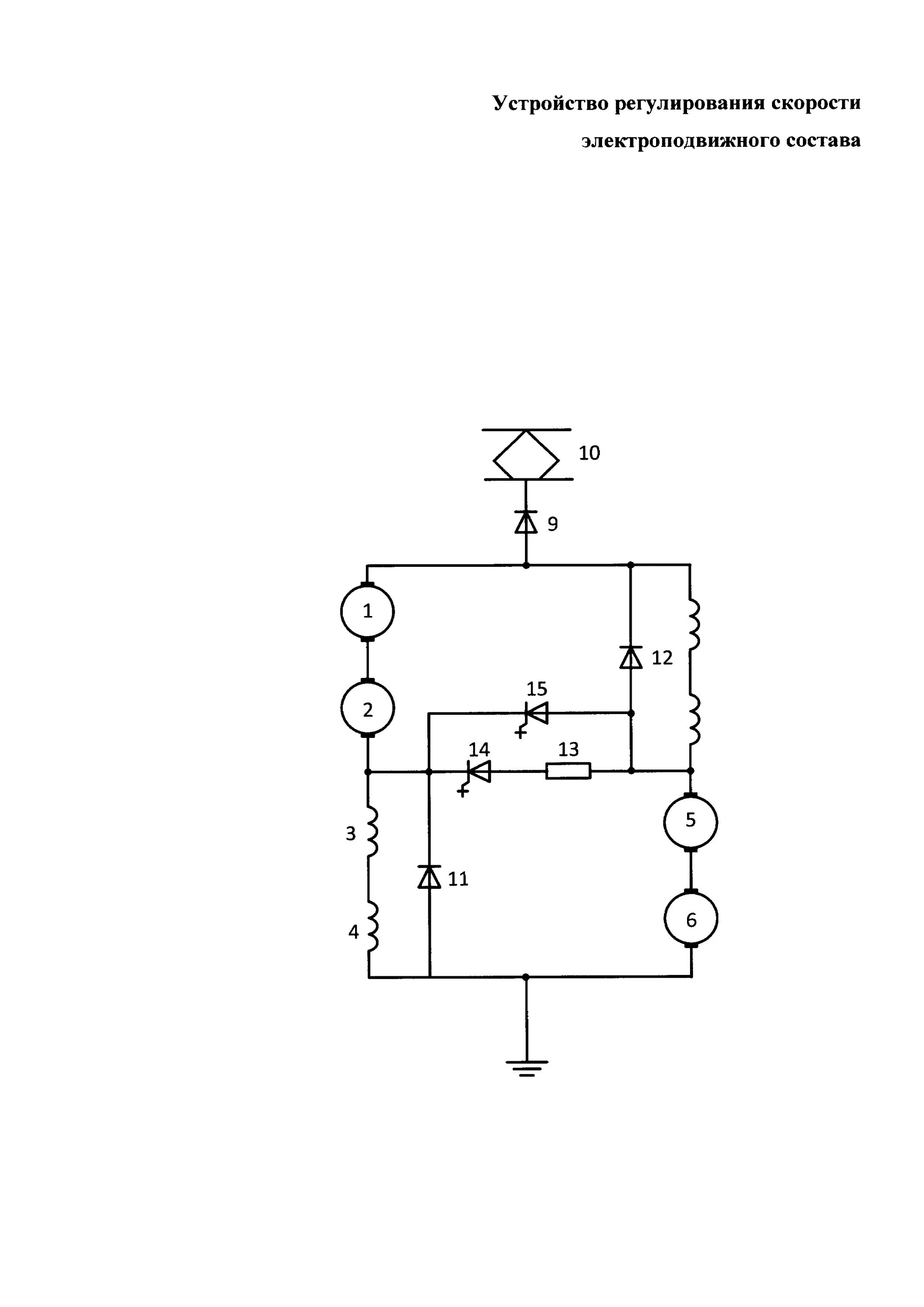
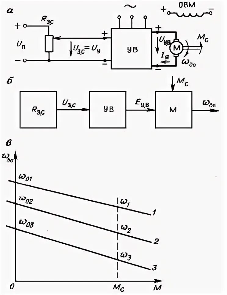
Система регулирования скорости