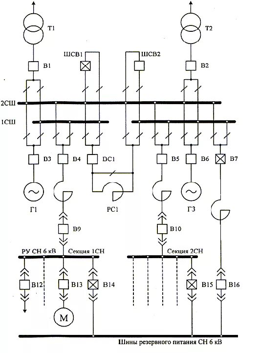
Система шин подстанции