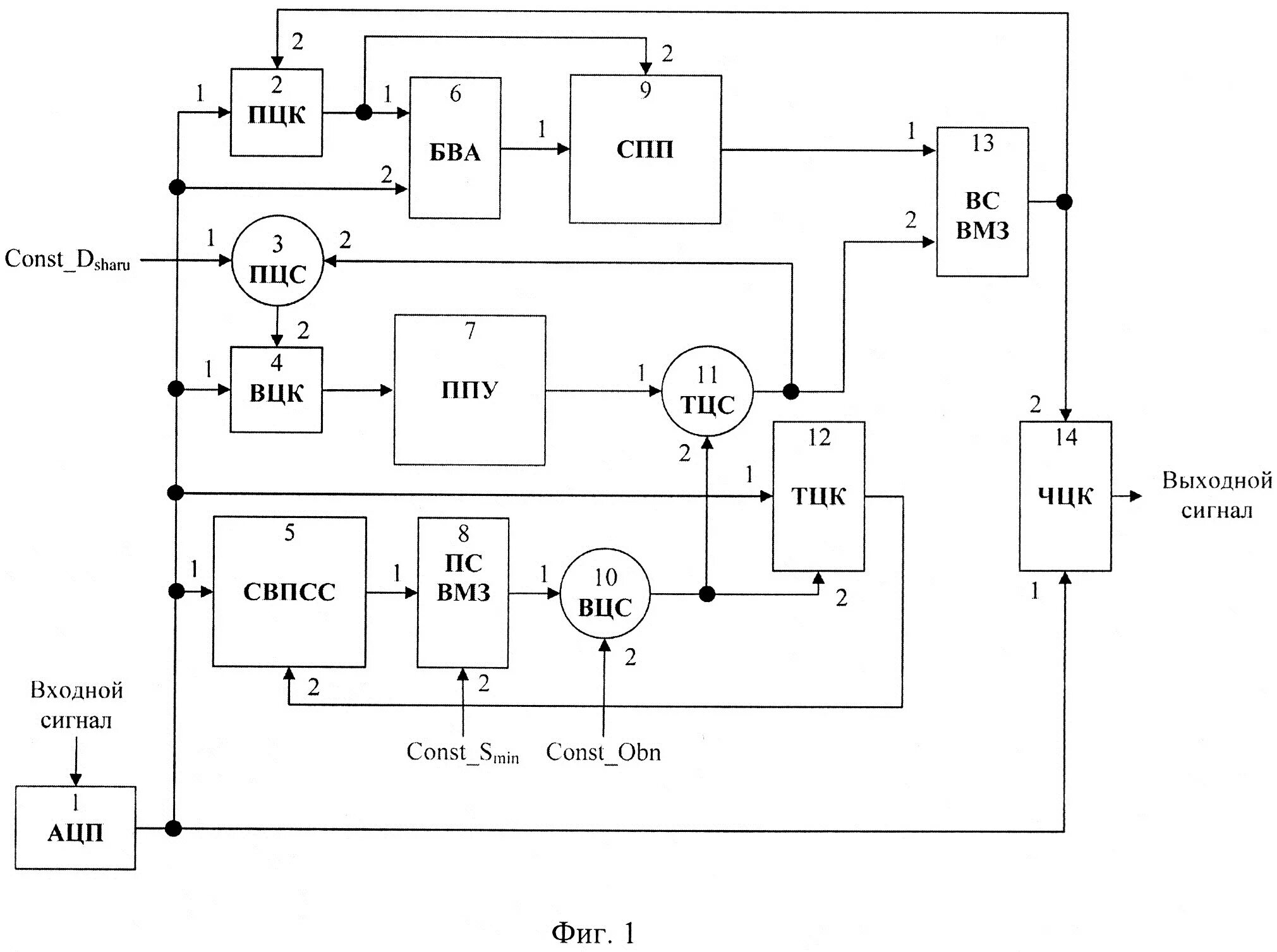
Система управления сигнал