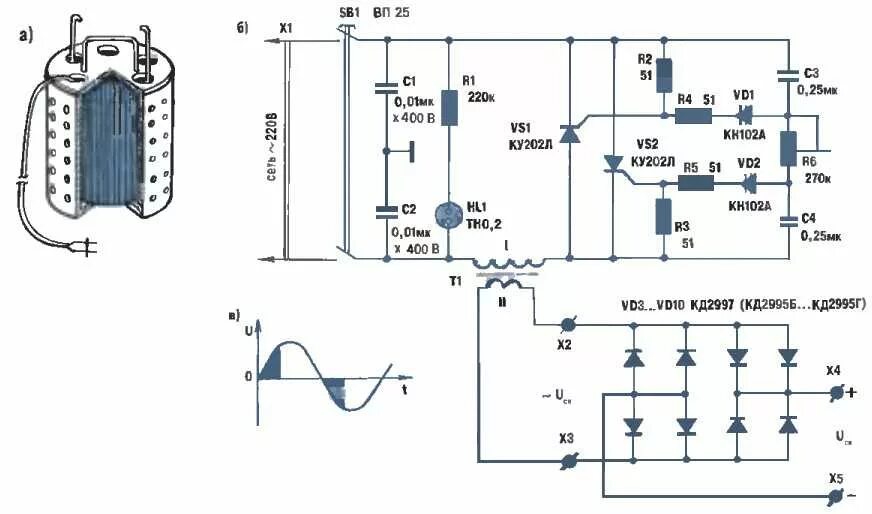
Система управления трансформатором