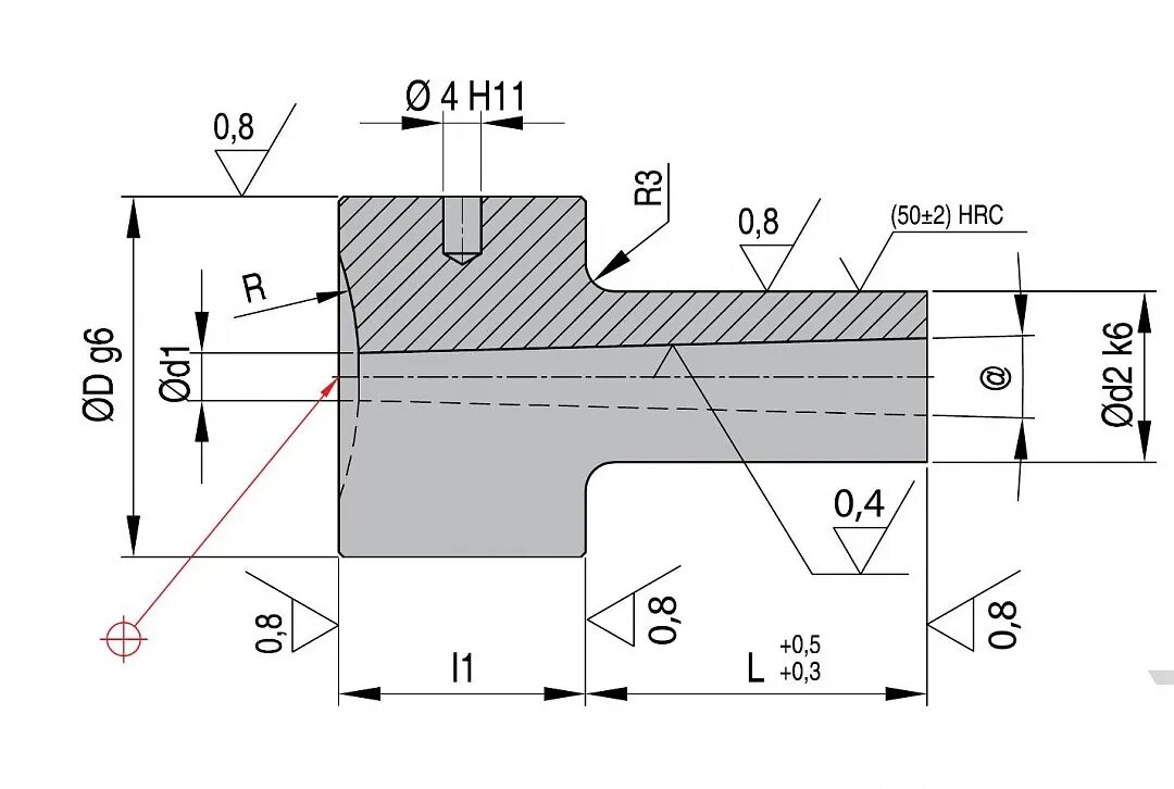
Система втулки