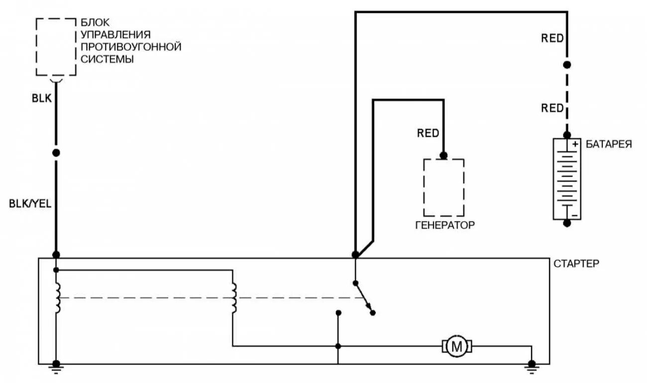
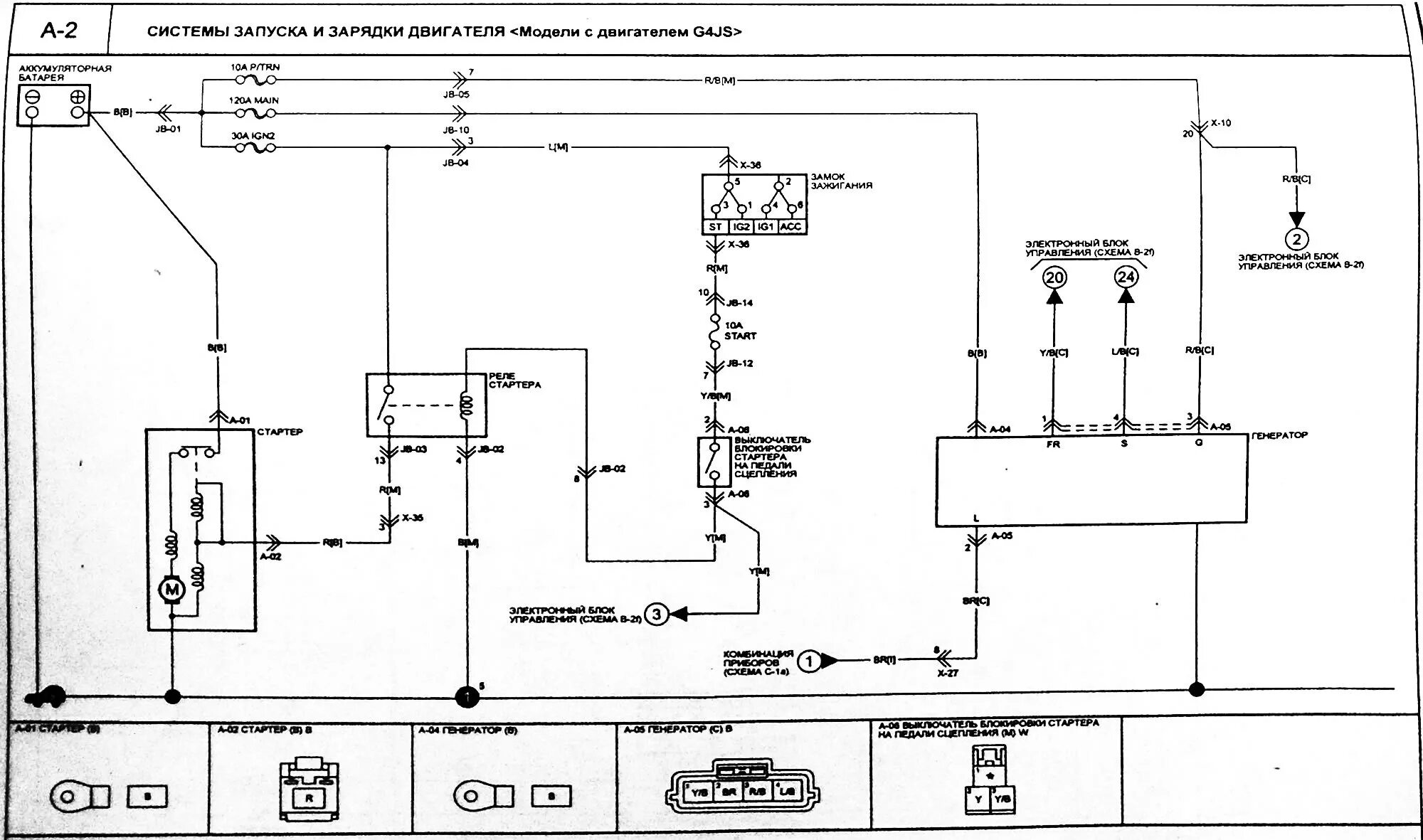
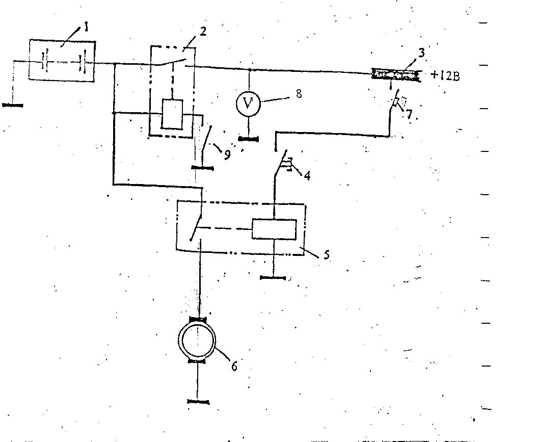
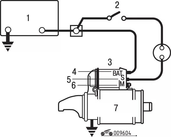
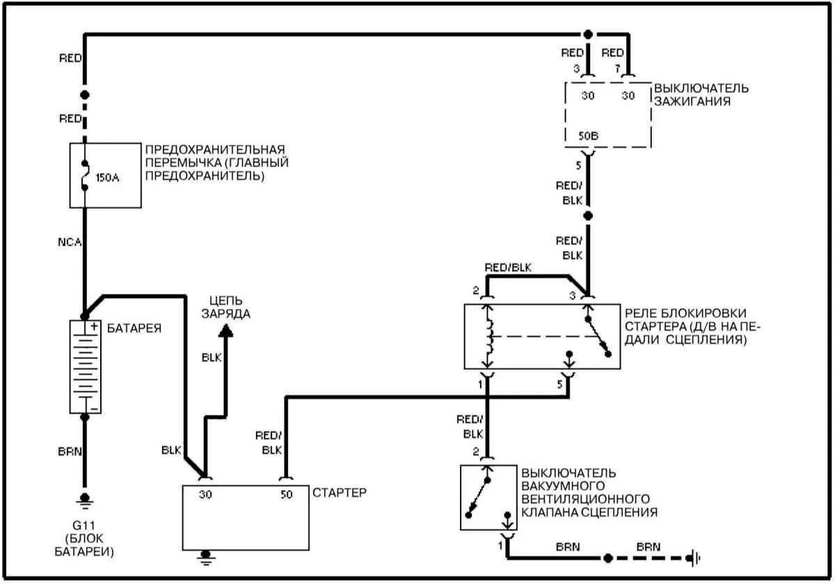
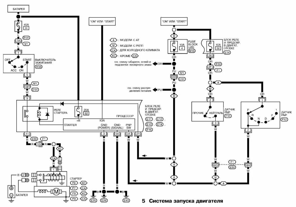
Система запуска