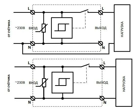
Следующее включение