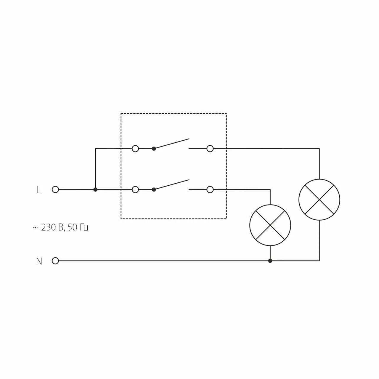
Соединение двухклавишного выключателя