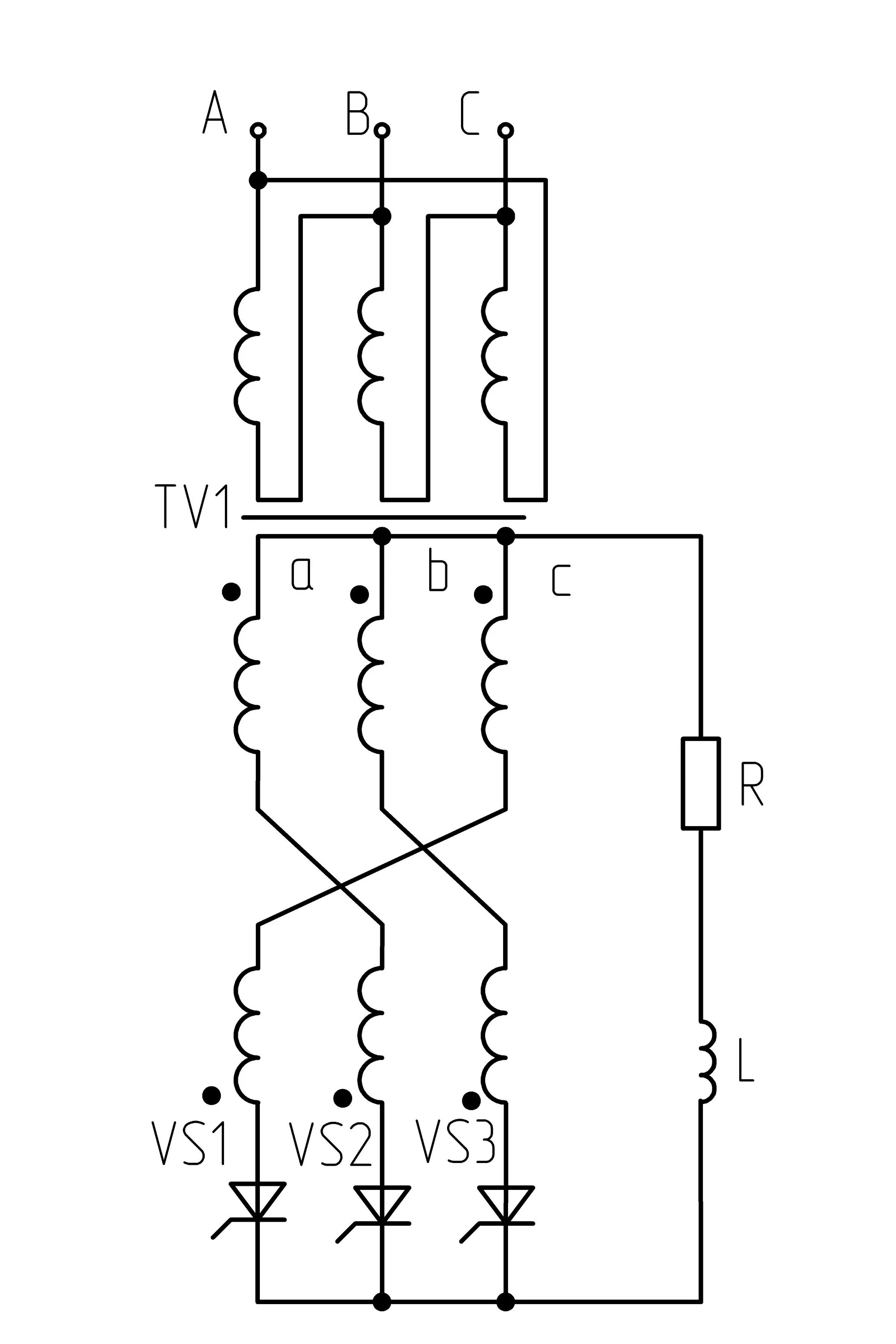
Соединение трансформаторов зигзаг