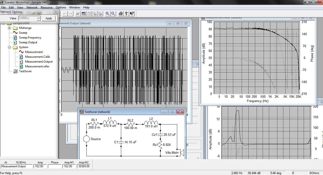
Speaker workshop