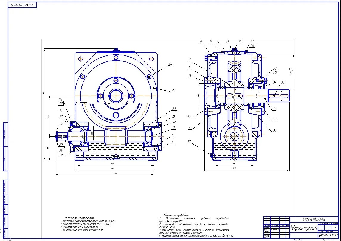
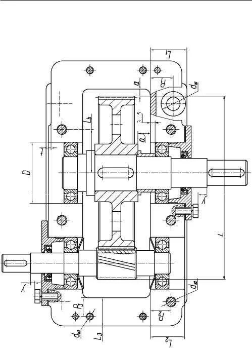
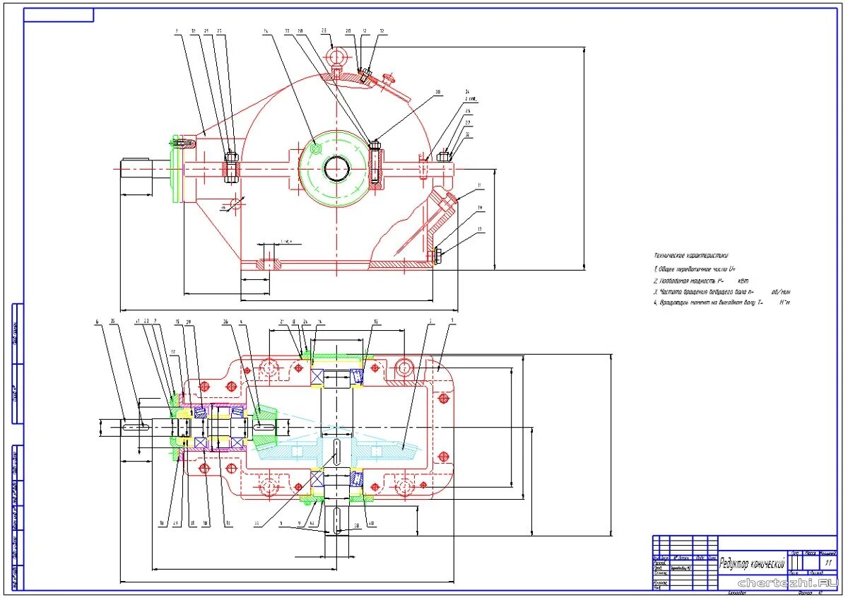
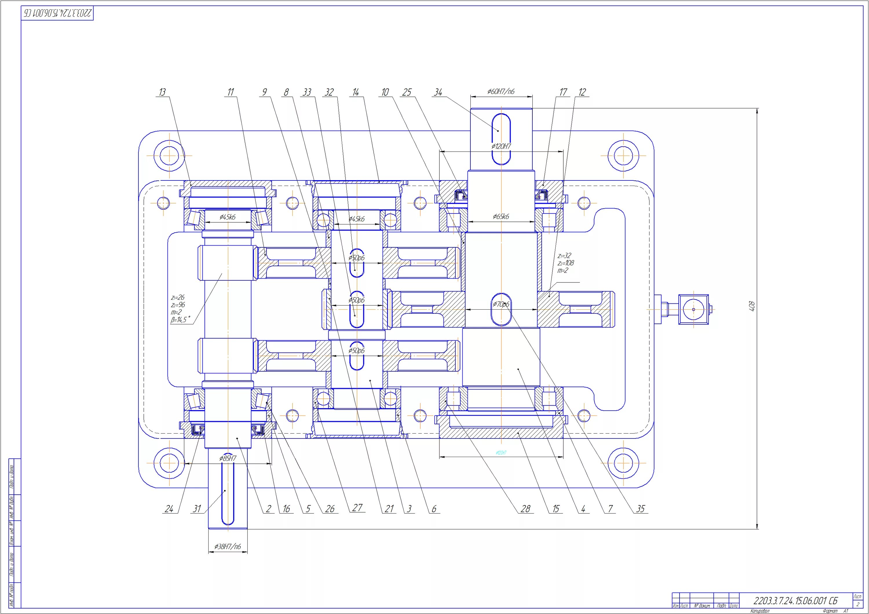
Спроектирую редуктор