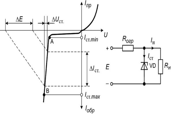
Стабистор