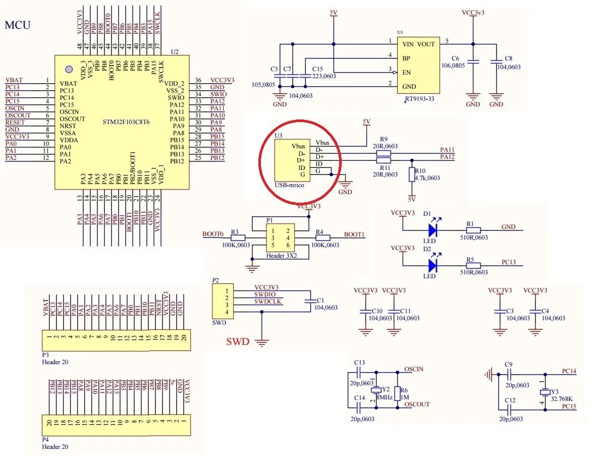
Stm32 bluepill